Spannzange mechanisch 99mm AMF
K23637391
4020772533281
533281
auf Anfrage
je 1 Stück
keine Verfügbarkeitsinformationen
Funktionen
Verkaufsdaten
| Mindestbestellmenge | 1 Stück |
| Bestellschritt | 1 Stück |
Beschreibung
Mechanische Spannzange
• Grundkörper aus brüniertem Stahl
• Mechanik im Grundkörper ist geschützt gegen Schmutz und Kühlmittel
• Umlaufender Spannrand für die Befestigung auf dem Maschinentisch
• An der Unterseite Aufnahmen für AMF-Zero-Point-System
• Zum Spannen von komplexen Werkstückkonturen
• Schneller und einfacher Austausch der Spannzange
Lieferung: Grundkörper und Spannzange.
Hersteller: Andreas Maier GmbH & Co KG, Waiblinger Str. 116, 70734 Fellbach, DE, +4971157660, amf@amf.de
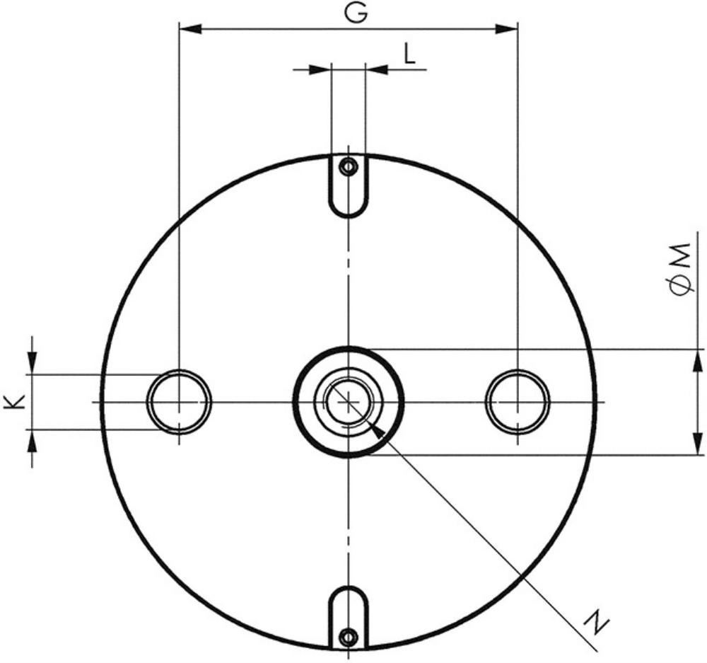
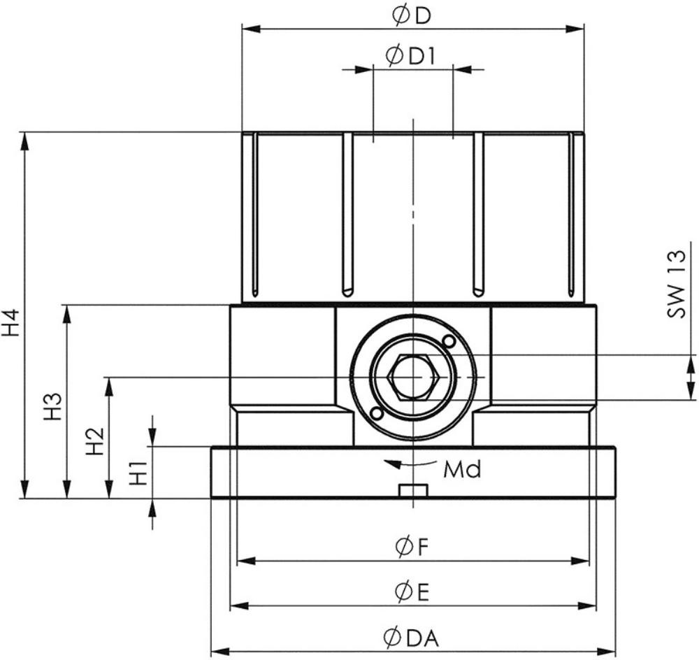
Merkmale
| Ø D | 99 mm |
| Ø D1 | 23 mm |
| Ø DA | 117 mm |
| Ø M | 25 mm |
| H1 | 15 mm |
| H2 | 35 mm |
| H3 | 56 mm |
| H4 | 106 mm |
| Markenname | AMF |
| Herstellername | Andreas Maier GmbH & Co KG |
| Herstellerartikelnummer | 533281 |