- Sie befinden sich hier:
- Start
- Produktgruppen
- HEIZUNG
- GASGERÄTE UND GASHE…
- BOSCH Gas-Brennwert…
Dieser Artikel ist der Nachfolgeartikel von Artikel:
BOSCH Gas-Brennwertgerät Condens GC7000iW 35 C 23/21, Erdgas E, Kombi, Glas-Design, weiß K19758136
keine Verfügbarkeitsinformationen
Merkmale
| Dimension | 35 C 23/21, Erdgas E |
Verkaufsdaten
| Mindestbestellmenge | 1 Stück |
| Bestellschritt | 1 Stück |
BOSCH Gas-Brennwertkessel Condens GC7800iW 30/35 C 23, wandhängend
K19181840
4062321440251
7736902122
auf Anfrage
je 1 Stück
keine Verfügbarkeitsinformationen
Verkaufsdaten
| Mindestbestellmenge | 1 Stück |
| Bestellschritt | 1 Stück |
Beschreibung
mit Glas-Optik (aus PMMA), Bedienung am 5" Farb-Touch Bedienfeld UI 800 mit integrierter EMS-Systemreglerfunktion für bis zu vier Heizkreise, Modulationsbereich bis 1:8, optimiert für den Einsatz in Gebäuden mit geringem Energiebedarf, Aluminium-Silizium Wärmeblock gegen Verschmutzung behandelt, mit optimaler Zugänglichkeit bei der Wartung, zertifiziert für bis zu 20% Wasserstoffbeimischung, Ausstattung: messtechnische Verbrauchsdatenerfassung nach BEG integriert, gegen Verschmutzung robuste Hocheffizienzpumpe, automatischer Entlüfter, Manometer, Sicherheitsventil, 3-Wege-Ventil, Abgastemperaturbegrenzer (120 °C), Ausdehnungsgefäß (GC7800iW 15/24), im Lieferumfang enthalten: Außentemperaturfühler für außentemperaturgeführte Regelung mit dem Bedienfeld UI800
Ausschreibungstext
Merkmale
| Produktklasse | Heizkessel Wand |
| Serie | Condens |
| Internet Link | https://www.bosch-homecomfort.com/de/de/ocs/wohngebaeude/condens-7800i-w-19373385-p/ |
| Internet Link | https://www.bosch-homecomfort.com/de/de/ocs/wohngebaeude/gas-brennwert-hybrid-condens-7800i-w-mit-luft-wasser-waermepumpe-19373385-p/ |
| Energieform | Gas |
Anhänge
Videos
Exposés
Dokumente
Informationen nach Bauphase
Varianten
BOSCH Gas-Brennwertkessel Condens GC7800iW 15 P 23, wandhängend K19181841
keine Verfügbarkeitsinformationen
auf Anfrage
je 1 Stück
|
||
BOSCH Gas-Brennwertkessel Condens GC7800iW 20/24 C 23, wandhängend K19181838
keine Verfügbarkeitsinformationen
auf Anfrage
je 1 Stück
|
||
BOSCH Gas-Brennwertkessel Condens GC7800iW 20/30 C 23, wandhängend K19181839
keine Verfügbarkeitsinformationen
auf Anfrage
je 1 Stück
|
||
BOSCH Gas-Brennwertkessel Condens GC7800iW 24 P 23, wandhängend K19181842
keine Verfügbarkeitsinformationen
auf Anfrage
je 1 Stück
|
||
BOSCH Gas-Brennwertkessel Condens GC7800iW 30/35 C 23, wandhängend K19181840
keine Verfügbarkeitsinformationen
auf Anfrage
je 1 Stück
|
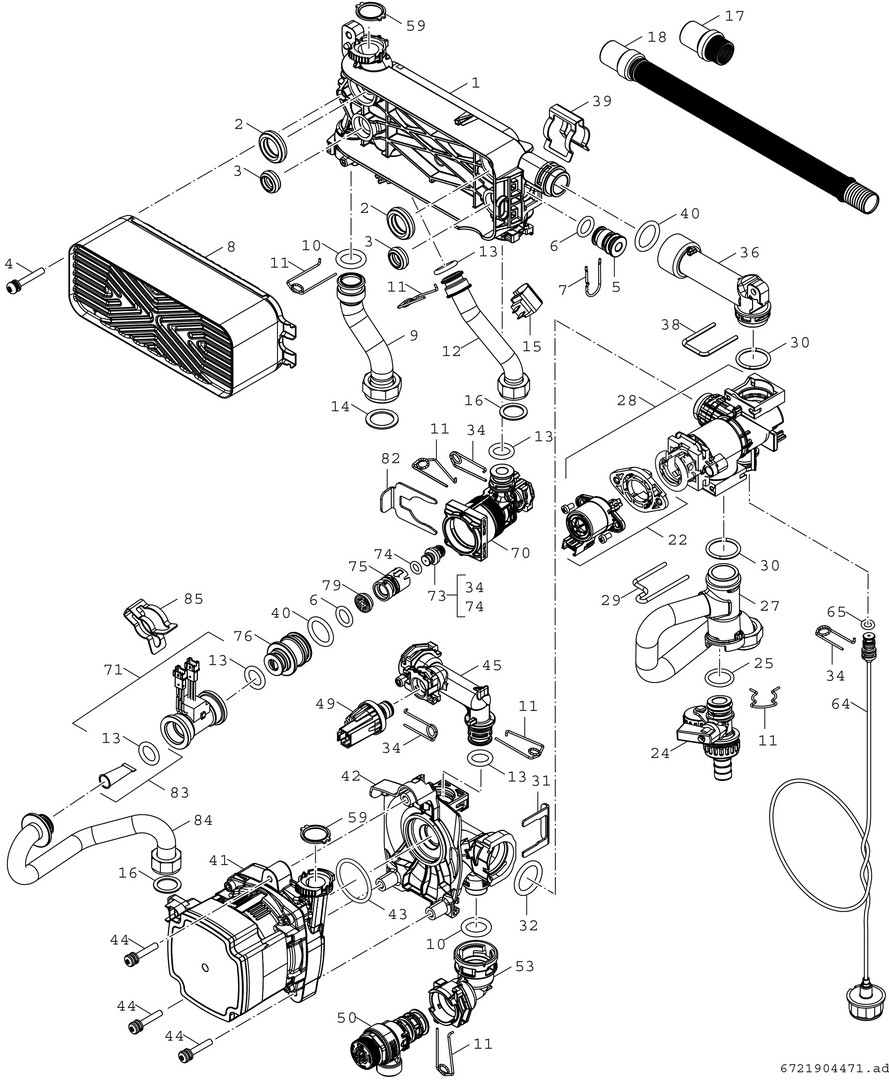
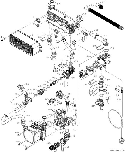
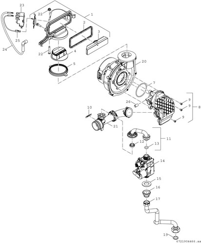
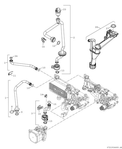
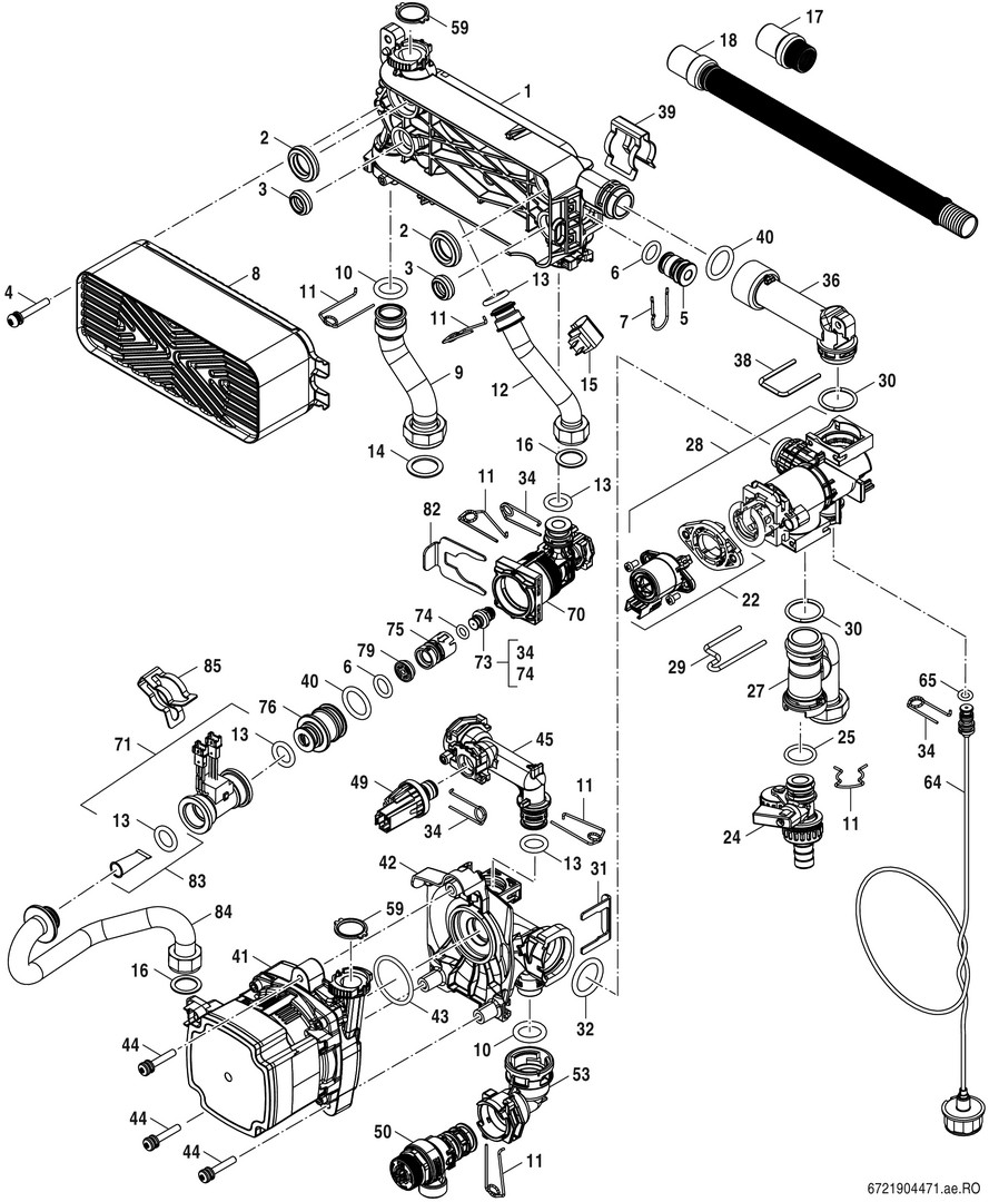
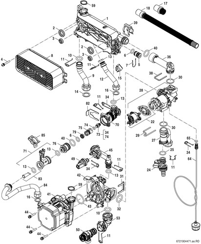
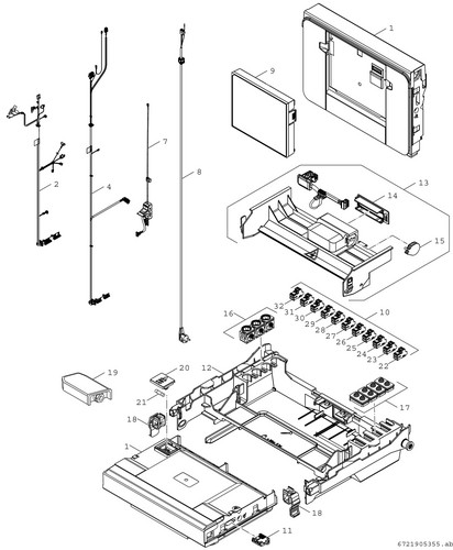
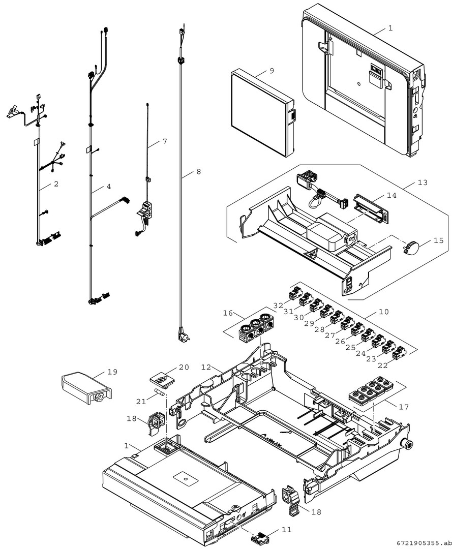
Ersatzteile:
keine Verfügbarkeitsinformationen
auf Anfrage
je 1 Stück
keine Verfügbarkeitsinformationen
auf Anfrage
je 1 Stück
keine Verfügbarkeitsinformationen
auf Anfrage
je 1 Stück
keine Verfügbarkeitsinformationen
auf Anfrage
je 1 Stück
keine Verfügbarkeitsinformationen
auf Anfrage
je 1 Stück
keine Verfügbarkeitsinformationen
auf Anfrage
je 1 Stück
keine Verfügbarkeitsinformationen
auf Anfrage
je 1 Stück
keine Verfügbarkeitsinformationen
auf Anfrage
je 1 Stück
keine Verfügbarkeitsinformationen
auf Anfrage
je 1 Stück
keine Verfügbarkeitsinformationen
auf Anfrage
je 1 Stück
keine Verfügbarkeitsinformationen
auf Anfrage
je 1 Stück
keine Verfügbarkeitsinformationen
auf Anfrage
je 1 Stück
keine Verfügbarkeitsinformationen
auf Anfrage
je 1 Stück
keine Verfügbarkeitsinformationen
auf Anfrage
je 1 Stück
keine Verfügbarkeitsinformationen
auf Anfrage
je 1 Stück
keine Verfügbarkeitsinformationen
auf Anfrage
je 1 Stück
keine Verfügbarkeitsinformationen
auf Anfrage
je 1 Stück
keine Verfügbarkeitsinformationen
auf Anfrage
je 1 Stück
keine Verfügbarkeitsinformationen
auf Anfrage
je 1 Stück
keine Verfügbarkeitsinformationen
auf Anfrage
je 1 Stück
keine Verfügbarkeitsinformationen
auf Anfrage
je 1 Stück
keine Verfügbarkeitsinformationen
auf Anfrage
je 1 Stück
keine Verfügbarkeitsinformationen
auf Anfrage
je 1 Stück
keine Verfügbarkeitsinformationen
auf Anfrage
je 1 Stück
keine Verfügbarkeitsinformationen
auf Anfrage
je 1 Stück
keine Verfügbarkeitsinformationen
auf Anfrage
je 1 Stück
keine Verfügbarkeitsinformationen
auf Anfrage
je 1 Stück
keine Verfügbarkeitsinformationen
auf Anfrage
je 1 Stück
keine Verfügbarkeitsinformationen
auf Anfrage
je 1 Stück
keine Verfügbarkeitsinformationen
auf Anfrage
je 1 Stück
keine Verfügbarkeitsinformationen
auf Anfrage
je 1 Stück
keine Verfügbarkeitsinformationen
auf Anfrage
je 1 Stück
keine Verfügbarkeitsinformationen
auf Anfrage
je 1 Stück
keine Verfügbarkeitsinformationen
auf Anfrage
je 1 Stück
keine Verfügbarkeitsinformationen
auf Anfrage
je 1 Stück
keine Verfügbarkeitsinformationen
auf Anfrage
je 1 Stück
keine Verfügbarkeitsinformationen
auf Anfrage
je 1 Stück
keine Verfügbarkeitsinformationen
auf Anfrage
je 1 Stück
keine Verfügbarkeitsinformationen
auf Anfrage
je 1 Stück
keine Verfügbarkeitsinformationen
auf Anfrage
je 1 Stück
keine Verfügbarkeitsinformationen
auf Anfrage
je 1 Stück
keine Verfügbarkeitsinformationen
auf Anfrage
je 1 Stück
keine Verfügbarkeitsinformationen
auf Anfrage
je 1 Stück
keine Verfügbarkeitsinformationen
auf Anfrage
je 1 Stück
keine Verfügbarkeitsinformationen
auf Anfrage
je 1 Stück
keine Verfügbarkeitsinformationen
auf Anfrage
je 1 Stück
keine Verfügbarkeitsinformationen
auf Anfrage
je 1 Stück
keine Verfügbarkeitsinformationen
auf Anfrage
je 1 Stück
keine Verfügbarkeitsinformationen
auf Anfrage
je 1 Stück
keine Verfügbarkeitsinformationen
auf Anfrage
je 1 Stück
keine Verfügbarkeitsinformationen
auf Anfrage
je 1 Stück
keine Verfügbarkeitsinformationen
auf Anfrage
je 1 Stück
keine Verfügbarkeitsinformationen
auf Anfrage
je 1 Stück
keine Verfügbarkeitsinformationen
auf Anfrage
je 1 Stück
keine Verfügbarkeitsinformationen
auf Anfrage
je 1 Stück
keine Verfügbarkeitsinformationen
auf Anfrage
je 1 Stück
keine Verfügbarkeitsinformationen
auf Anfrage
je 1 Stück
keine Verfügbarkeitsinformationen
auf Anfrage
je 1 Stück
keine Verfügbarkeitsinformationen
auf Anfrage
je 1 Stück
keine Verfügbarkeitsinformationen
auf Anfrage
je 1 Stück
keine Verfügbarkeitsinformationen
auf Anfrage
je 1 Stück
keine Verfügbarkeitsinformationen
auf Anfrage
je 1 Stück
keine Verfügbarkeitsinformationen
auf Anfrage
je 1 Stück
keine Verfügbarkeitsinformationen
auf Anfrage
je 1 Stück
keine Verfügbarkeitsinformationen
auf Anfrage
je 1 Stück
keine Verfügbarkeitsinformationen
auf Anfrage
je 1 Stück
keine Verfügbarkeitsinformationen
auf Anfrage
je 1 Stück
keine Verfügbarkeitsinformationen
auf Anfrage
je 1 Stück
keine Verfügbarkeitsinformationen
auf Anfrage
je 1 Stück
keine Verfügbarkeitsinformationen
auf Anfrage
je 1 Stück
keine Verfügbarkeitsinformationen
auf Anfrage
je 1 Stück
keine Verfügbarkeitsinformationen
auf Anfrage
je 1 Stück
keine Verfügbarkeitsinformationen
auf Anfrage
je 1 Stück
keine Verfügbarkeitsinformationen
auf Anfrage
je 1 Stück
keine Verfügbarkeitsinformationen
auf Anfrage
je 1 Stück
keine Verfügbarkeitsinformationen
auf Anfrage
je 1 Stück
keine Verfügbarkeitsinformationen
auf Anfrage
je 1 Stück
keine Verfügbarkeitsinformationen
auf Anfrage
je 1 Stück
keine Verfügbarkeitsinformationen
auf Anfrage
je 1 Stück
keine Verfügbarkeitsinformationen
auf Anfrage
je 1 Stück
keine Verfügbarkeitsinformationen
auf Anfrage
je 1 Stück
keine Verfügbarkeitsinformationen
auf Anfrage
je 1 Stück
keine Verfügbarkeitsinformationen
auf Anfrage
je 1 Stück
keine Verfügbarkeitsinformationen
auf Anfrage
je 1 Stück
keine Verfügbarkeitsinformationen
auf Anfrage
je 1 Stück
keine Verfügbarkeitsinformationen
auf Anfrage
je 1 Stück
keine Verfügbarkeitsinformationen
auf Anfrage
je 1 Stück
keine Verfügbarkeitsinformationen
auf Anfrage
je 1 Stück
keine Verfügbarkeitsinformationen
auf Anfrage
je 1 Stück
keine Verfügbarkeitsinformationen
auf Anfrage
je 1 Stück
keine Verfügbarkeitsinformationen
auf Anfrage
je 1 Stück
keine Verfügbarkeitsinformationen
auf Anfrage
je 1 Stück
keine Verfügbarkeitsinformationen
auf Anfrage
je 1 Stück
keine Verfügbarkeitsinformationen
auf Anfrage
je 1 Stück
keine Verfügbarkeitsinformationen
auf Anfrage
je 1 Stück
keine Verfügbarkeitsinformationen
auf Anfrage
je 1 Stück
keine Verfügbarkeitsinformationen
auf Anfrage
je 1 Stück
keine Verfügbarkeitsinformationen
auf Anfrage
je 1 Stück
keine Verfügbarkeitsinformationen
auf Anfrage
je 1 Stück
Enthalten in:
keine Verfügbarkeitsinformationen
auf Anfrage
je 1 Stück
keine Verfügbarkeitsinformationen
auf Anfrage
je 1 Stück
keine Verfügbarkeitsinformationen
auf Anfrage
je 1 Stück
Lieferdetails
Angaben zur Marke
BOSCH
Hersteller
Bosch Thermotechnik GmbH Sophienstraße 30-32 35576 Wetzlar Deutschland Thermotechnik-Info@de.bosch.com